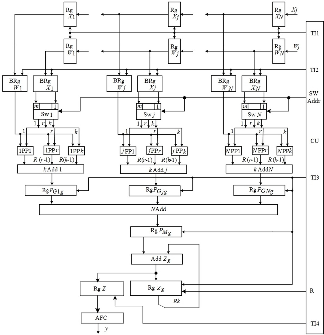
Vol. 3 No. 2 (135) (2025): Information technology. Industry control systems

Published: 2025-06-30

Information technology

Industry control systems